1
/
of
11
Fiat Panda Workshop Manual 141 pages first series 1980-2003 pdf download
Fiat Panda Workshop Manual 141 pages first series 1980-2003 pdf download
Regular price
β¬8,50 EUR
Regular price
β¬19,99 EUR
Sale price
β¬8,50 EUR
Unit price
/
per
Taxes included.
Shipping calculated at checkout.
Couldn't load pickup availability
Instant Download β Complete collection of ALL workshop manuals published for the Fiat Panda 141 from 1980 to 2003 .
π§ Compatible with all versions :
- 750 β 900 β 1000 β 1100
- Including the legendary PANDA 4x4
- Chassis Code: ZFA 141.000 and 141A000
Contents of the manual:
β
General information and technical data
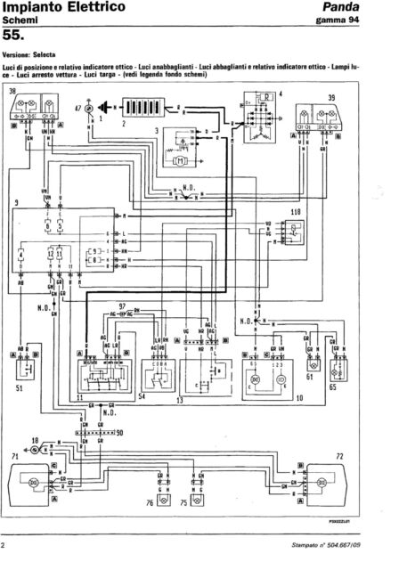
β
Complete wiring diagrams
β
Diagnosis and repair procedures
β
Operation of all components
β
Tests, connectors and wiring
Exclusive Bonus π
You will also receive 2 3D dioramas to build models of the Panda 141.
π© INSTANT DOWNLOAD
Perfect for collectors, mechanics, and enthusiasts of the historic Fiat Panda 141. Don't miss out on this unique collection!
Share
